Лаборатория Агротехнологий: С чего начать?
Предлагаем вашему вниманию статью, рассказывающую том, как легко и просто начать проект по организации лаборатории агротехнологий
Cчего начать и как комфортно продолжить работу по созданию успешной Лаборатории Агротехнологий?
Каким должно быть помещение Агролаборатории?
Этапы развития проекта.
Сколько сотрудников нужно?
Об этом Вы узнаете из нашей статьи…
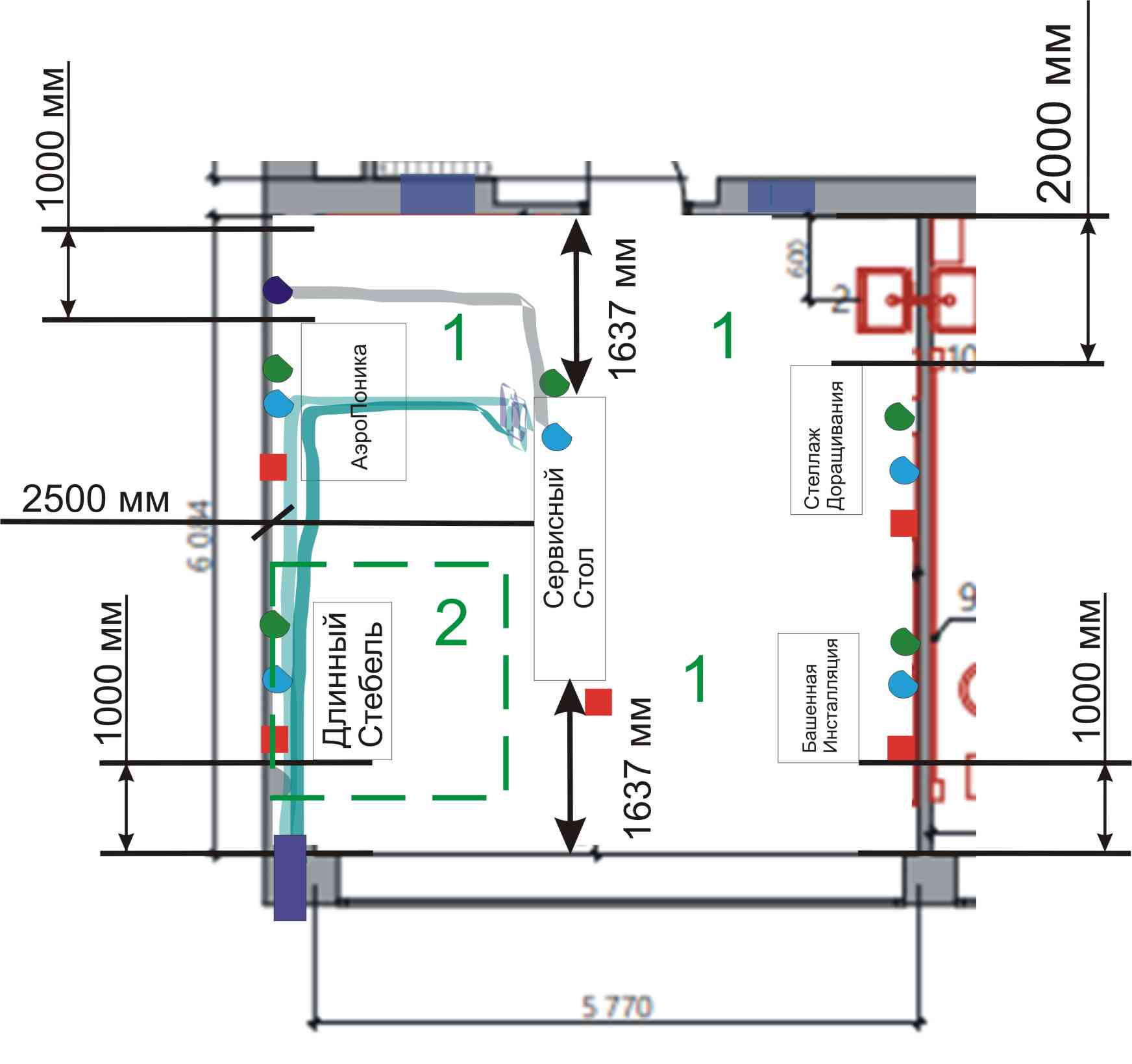
Кабинет Лаборатории Агротехнологий
Прежде всего стоит выбрать помещение, в котором будет располагаться Ваша Лаборатория Прогрессивного Выращивания
Он должно быть не менее 20 м2. Такое помещение подойдёт для весьма насыщенной Лаборатории Выращивания Растений, в которой найдётся место для 5 разных типов Систем Прогрессивного Выращивания:
Этапы развития проекта Лаборатории Агротехнологий
Первый - Подготовительный Этап.
На подготовительном этапе проводится определение состава Систем Прогрессивного Выращивания Растений и Гидробионтов.
Подготовительный этап обычно не превышает 5 рабочих дней.
В конце подготовительного этапа Заказчик получает:
1.Эскизный проект Расстановки оборудования;
2.Оценку стоимости Лаборатории Агротехнологий.
3.Оценку состава и стоимости Климатического и Вентиляционного оборудования (более подробно в статье по ссылке).
Стандартная Лаборатория Прогрессивного Выращивания 1
Расширенная Лаборатория Прогрессивного Выращивания Растений и Гидробионтов в Кванториуме города Ноябрьск
(3 кабинета)
Лаборатория Прогрессивного Растениеводства
в Кванториуме
города Новый Уренгой
Ямало-Ненецкого Автономного Округа
Второй этап - Производство и поставка Лаборатории Прогрессивного Выращивания
Производство Агролаборатории обычно занимает не более 30 рабочих дней.
Длительность поставки бывает разной и зависит от сезонной доступности Способов Доставки (авто, авиа, водный) возможных в Регионе нахождения Образовательного Учреждения.
Обычно доставка занимает от 2 до 15 рабочих дней.
Третий этап - Сборка Лаборатории Агротехнологий
В зависимости от размера и насыщенности оборудованием, сборка занимает от 2 до 10 рабочих дней.
За пару дней собирается Агролаборатория из 5 Систем Прогрессивного Выращивания Растений.
За 10 дней - из 17 систем выращивания, включая Аквапонику.
Четвёртый этап - Обучение Сотрудников Лаборатории Прогрессивного Выращивания
Длительность Обучения сотрудников составляет две недели и включает курс по всему разнообразию установленных систем прогрессивного выращивания растений и гидробионтов.
Пятый этап - Консультационное Сопровождение Сотрудников Лаборатории Сити-Фермерства
Обычно мы сопровождаем активными консультациями в течение первых 6 месяцев после запуска агролаборатории.
В любом случае, мы всегда проконсультируем Заведующих агролабораториями в рабочем порядке!
Сколько сотрудников нужно в Лаборатории Агротехнологий?
Обычно достаточно одного Заведующего Лабораторией и Лаборанта даже для управления весьма внушительной лабораторией прогрессивного выращивания растений и гидробионтов.
Всё-таки уровень автоматизации Лабораторий Прогрессивного Выращивания Растений и Гидробионтов производства Farm-in-Lab, максимальный, из существующих на рынке!
Фото Крупнейшей в России Лаборатории Прогрессивного Выращивания
Как быстро и комфортно, в одном месте получить исчерпывающую консультацию и приобрести всё оборудование для Агротехкласса
Как быстро и комфортно, в одном месте получить исчерпывающую консультацию и приобрести всё оборудование для Агротехкласса от производителя "под ключ", а ещё и получить оптимальный проект для каждого варианта кабинетов, можно увидеть по ссылкам ниже:
1. «Генетика и селекция растений»
2. «Аквакультура»
3. «Цветоводство»
4. «Агроинженерия»
5.«Модель организации агротехнологического класса на примере»
6.«Дизайн-проект кабинета агротехнологического класса»
7.«Организация климата и вентиляции в Агротехнологическом классе»
1. «Генетика и селекция растений»
2. «Аквакультура»
3. «Цветоводство»
4. «Агроинженерия»
5.«Модель организации агротехнологического класса на примере»
6.«Дизайн-проект кабинета агротехнологического класса»
7.«Организация климата и вентиляции в Агротехнологическом классе»
Чтобы отправить заявку, просто отметьте то, что Вам нужно в анкете: Какую Лабораторию Вы хотите построить?
Расчёт Стоимости Агротехкласса
Просто отметьте в анкете то, что Вам нужно на странице "Заказать"
Мы направим расчёт Лаборатории Агротехнологического Класса в ответ в течение 24 часов.
Или позвоните по телефону с 8:30 до 17:30 по Москве по Рабочим дням:
Офис: 8 812 575 53 62
Мобильный / WhatsApp: +7 911 235 17 41
Мы согласуем все детали!
Мы направим расчёт Лаборатории Агротехнологического Класса в ответ в течение 24 часов.
Или позвоните по телефону с 8:30 до 17:30 по Москве по Рабочим дням:
Офис: 8 812 575 53 62
Мобильный / WhatsApp: +7 911 235 17 41
Мы согласуем все детали!
Образовательные программы для Агротехнологических Классов
Ещё больше примеров реализованных программ Агротехнологических Классов можно посмотреть по ссылке
Присоединяйтесь к нашему каналу в Telegram: https://t.me/Farm_in_Lab_pro